0577-27771667
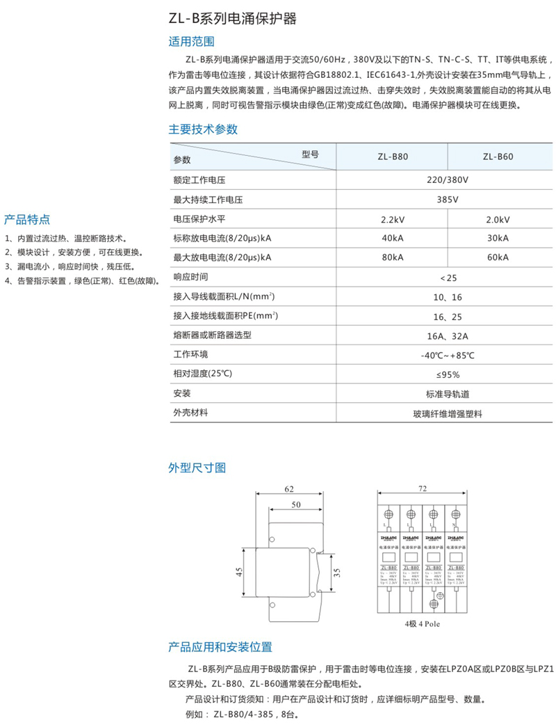
ZL- B系列電涌保護器適用于交流50/60Hz , 380V及以下的TN-S. TN-C-S. TT. IT等供電系統(tǒng),作為雷擊等電位連接,其設計依據符合GB18802.1. IEC61643-1,外殼設計安裝在35mm電氣導軌上,該產品內置失效脫離裝置,當電涌保護器因過流過熱、擊穿失效時,失效脫離裝置能自動的將其從電網上脫離,同時可視告警指示模塊由綠色(正常)變成紅色(故障)。電涌保護器模塊可在線更換。

Copyright ? 2020 浙江逐浪電氣有限公司 All Rights Reserved. | 浙ICP備15009061號-1 站點地圖